|
|
|
| D71X對夾軟密封蝶閥 |
| 產品型號:D71X |
 |
 |
產品概述:
我公司研制的軟密封中線對夾式蝶閥,雙偏心法蘭式蝶閥結構緊湊,90°回轉開關輕松,密封可靠,使用壽命長,被廣泛用于水廠、電廠、鋼廠、造紙、化工、飲食等系統供排水中,作為調節和截止使用。
產品結構特點:
1、本閥采用雙偏心結構,具有越關越緊的密封功能,密封性能可靠。
2、密封副材料選用不銹鋼和丁腈耐油橡膠配對,使用壽命長。
3、橡膠密封圈即可位于閥體上,也可以位于蝶板上,可適用不同特點的介質,供用戶選擇。
4、蝶板采用框架結構,強度高,過流面積大,流阻小。
5、整體烤漆、能有效地防止銹蝕且只要更換密封閥座密封材料,就可使用于不同介質。
6、本閥具有雙向密封功能,安裝時不受介質流向的控制,也不受空間位置的影響,可在任何方向安裝。
7、本閥結構獨特,操作靈活,省力,方便 |
主要技術參數:
|
公稱通經DN(mm)
|
50~2000
|
50~1600
|
|
公稱藥理PN(MPa)
|
0.6
|
1.0
|
1.6
|
|
密封試驗(MPa)
|
0.66
|
1.1
|
1.76
|
|
強度試驗(MPa)
|
0.9
|
1.5
|
2.4
|
|
適用溫度
|
丁腈橡膠:-40℃~90℃氟橡膠:-20℃~200℃
|
|
適用介質
|
水、空氣、天然氣、油品及弱腐蝕性流體
|
|
泄漏率
|
符合GB/T13927-92標準
|
|
驅動方式
|
蝸輪傳動、電動、氣動、液動
|
主要零部件材料
|
零件名稱
|
材料
|
|
閥體
|
WCB、QT450-10、HT200、HT250
|
|
蝶板
|
WCB、QT450-10、HT200、HT250
|
|
閥軸
|
2Cr13
|
|
密封圈
|
丁腈耐油橡膠
|
|
填料
|
柔性石墨
|
執行標準
|
制造標準
|
GB/T 122387-89
|
|
法蘭標準
|
GB9113-2000、GB17241.6-1998
|
|
結構長度標準
|
GB12221-89
|
|
檢驗標準
|
GB/T 13927-92
|
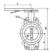
D71X-6/10/16對夾式軟密封蝶閥主要外形連接尺寸
單位:mm
|
DN
|
L
|
H
|
HO
|
A
|
B
|
0.6MPa
|
1.0MPa
|
1.6MPa
|
|
DO
|
n-d
|
DO
|
n-d
|
DO
|
n-d
|
|
50
|
43
|
63
|
235
|
270
|
110
|
110
|
4-14
|
125
|
4-18
|
125
|
4-18
|
|
65
|
46
|
70
|
250
|
270
|
110
|
130
|
4-14
|
145
|
4-18
|
145
|
4-18
|
|
80
|
46
|
83
|
275
|
270
|
110
|
150
|
4-18
|
160
|
8-18
|
160
|
8-18
|
|
100
|
52
|
105
|
316
|
270
|
110
|
170
|
4-18
|
180
|
8-18
|
180
|
8-18
|
|
125
|
56
|
115
|
340
|
310
|
110
|
200
|
8-18
|
210
|
8-18
|
210
|
8-18
|
|
150
|
56
|
137
|
376
|
310
|
110
|
225
|
8-18
|
240
|
8-22
|
240
|
8-22
|
|
200
|
60
|
164
|
430
|
353
|
150
|
280
|
8-18
|
295
|
8-22
|
295
|
8-22
|
|
250
|
68
|
206
|
499
|
353
|
150
|
335
|
12-18
|
350
|
12-22
|
355
|
12-26
|
|
300
|
78
|
230
|
570
|
380
|
150
|
395
|
12-22
|
400
|
12-22
|
410
|
12-26
|
|
|
|
|