| ZSGZ-10型氣動刀閘閥 |
| 產品型號:ZSGZ-10 |
 |
 |
產品概述:
Z6731氣動萬閘閥采用全圓形的通道設計,萬板底端加工成刀刃,光潔度高,保證了良好的密封性。在刀板上端安裝有硬聚四氟乙烯、刮泥器,可防止粉塵砂礫等擦傷性物質進入填料盒。聚膠脂或含Ni耐磨鑄鐵制成的耐磨折邊錐體安裝在刀閘閥的進口端,可防止顆粒物料直接沖刷在密封上,從而可改善的工作條件,延長壽命。根據需要,可在閥體四周設置多個沖洗口,直接用空氣、蒸汽或水進行沖洗,防止沉淀物逐漸堆積,對于輸入困難的流體特別達用。該閥設計緊湊、占據空間小、重量輕、易于安裝、耐磨防堵措施完善,便于維修,使用壽命長。廣泛滿足造紙、紙漿工業、工業污水和城市污水處理、化工廠、飛灰處理、散狀物料輸送、食品飲料工業的使用要求及工作條件苛刻的環境條件下。 |
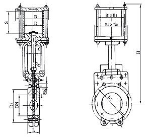
外型尺寸及結構圖


|
|
|